• SALE!
SKF HJ 2315 EC Angle rings (L-shaped thrust collars)

SKF HJ 2315 EC Angle rings (L-shaped thrust collars)

Product Code: HJ 2315 EC
Part/No: Eshop012513
Brand: SKF
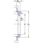
Angle rings (L-shaped thrust collars) are used either with NU design cylindrical roller bearings to locate the shaft axially in one direction, or with NJ design bearings to locate the shaft axially in both directions. The rings are made of carbon chromium steel and are hardened and ground. They are supplied as separate components.
Locate the shaft axially if there are no NJ or NUP design locating bearings within the product range
Provide an extended inner ring seat for heavily loaded bearings in the locating position
Simplify design or mounting procedures
€0.00
(*The price will be determined)
Tax included
mail_outlineSEND REQUEST
SKF HJ 2315 EC Angle rings (L-shaped thrust collars)

SKF HJ 2315 EC Angle rings (L-shaped thrust collars)

Product Code: HJ 2315 EC

Part/No: Eshop012513

Brand: SKF

100% Shopping Security
  On Request