• SALE!
SKF FY 15 FM Ball bearing units

SKF FY 15 FM Ball bearing units

Product Code: FY 15 FM
Part/No: Eshop011253
Brand: SKF
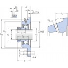
These square flanged ball bearing units are compliant with ISO standards. They consist of an insert bearing, with a narrow inner ring and eccentric locking, and are intended primarily for use in applications where the direction of rotation is constant. The bearing is mounted in a cast iron housing, which can be bolted to a machine wall or frame. Ball bearing units can accommodate moderate initial misalignment, but normally do not permit axial displacement.
Resist high levels of contamination
Designed for high temperatures and speeds
Accommodate relatively heavy loads
Cost-effective
€0.00
(*The price will be determined)
Tax included
mail_outlineSEND REQUEST
SKF FY 15 FM Ball bearing units

SKF FY 15 FM Ball bearing units

Product Code: FY 15 FM

Part/No: Eshop011253

Brand: SKF

100% Shopping Security
  On Request