• SALE!
SKF HM 30/530 Lock nuts

SKF HM 30/530 Lock nuts

Product Code: HM 30/530
Part/No: Eshop012571
Brand: SKF
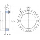
HM lock nuts are used to locate bearings onto a shaft. They have metric trapezoidal threads and eight equally spaced slots located around their circumference to accommodate an impact spanner. They should be locked by a locking clip to prevent unintentional loosening. HM lock nuts can be reused, provided they are not damaged.
Simple, stable and reliable fastening element
Easy to install and remove
Reusable with new locking clip
Available for thread Tr 220x4 to Tr 1120x8 (sizes 44 to /1120)
€0.00
(*The price will be determined)
Tax included
mail_outlineSEND REQUEST
SKF HM 30/530 Lock nuts

SKF HM 30/530 Lock nuts

Product Code: HM 30/530

Part/No: Eshop012571

Brand: SKF

100% Shopping Security
  On Request