• SALE!
SKF SIKB 20 F Rod ends

SKF SIKB 20 F Rod ends

Product Code: SIKB 20 F
Part/No: Eshop019613
Brand: SKF
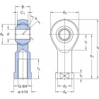
These SKF rod ends have an injection moulded sliding layer of PTFE FRP between the housing and the inner ring. This sliding contact surface combination is maintenance-free. The male thread is available with a left- (prefix SAL) or right-hand thread.
Long service life
Maintenance-free
Relatively insensitive to contaminants
Low coefficient of friction
Simple and ready-to-mount
€132.10
Tax included
mail_outlineSEND REQUEST
SKF SIKB 20 F Rod ends

SKF SIKB 20 F Rod ends

Product Code: SIKB 20 F

Part/No: Eshop019613

Brand: SKF

100% Shopping Security
  On Request