• SALE!
SKF 71920 ACBGA/HCP4AL Super-precision angular contact ball bearings

SKF 71920 ACBGA/HCP4AL Super-precision angular contact ball bearings

Product Code: 71920 ACBGA/HCP4AL
Part/No: Eshop008583
Brand: SKF
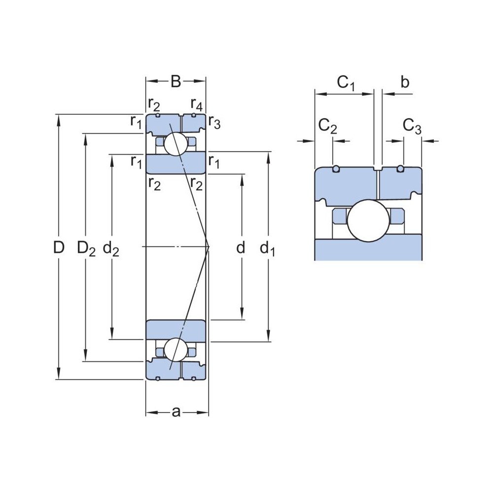
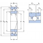
These super-precision, high-speed, single row angular contact ball bearings with 15° or 25° contact angle accommodate radial and axial loads acting simultaneously, where the axial load acts in one direction only. Compared to the equivalent SKF E design high-speed bearings, these are suited for lighter loads. Being universally matchable, they can be used together in arrangements to provide effective load sharing, within a predetermined preload range, without the use of shims or similar devices. They have two lubrication holes, an annular groove, and two annular O-ring grooves in their outer rings.
Suitable for direct oil-air lubrication
Very high running accuracy
Accommodate high speeds
Reduced stresses on rolling contact surfaces
Universally matchable
€1,382.51
Tax included
mail_outlineSEND REQUEST
SKF 71920 ACBGA/HCP4AL Super-precision angular contact ball bearings

SKF 71920 ACBGA/HCP4AL Super-precision angular contact ball bearings

Product Code: 71920 ACBGA/HCP4AL

Part/No: Eshop008583

Brand: SKF

100% Shopping Security
  On Request